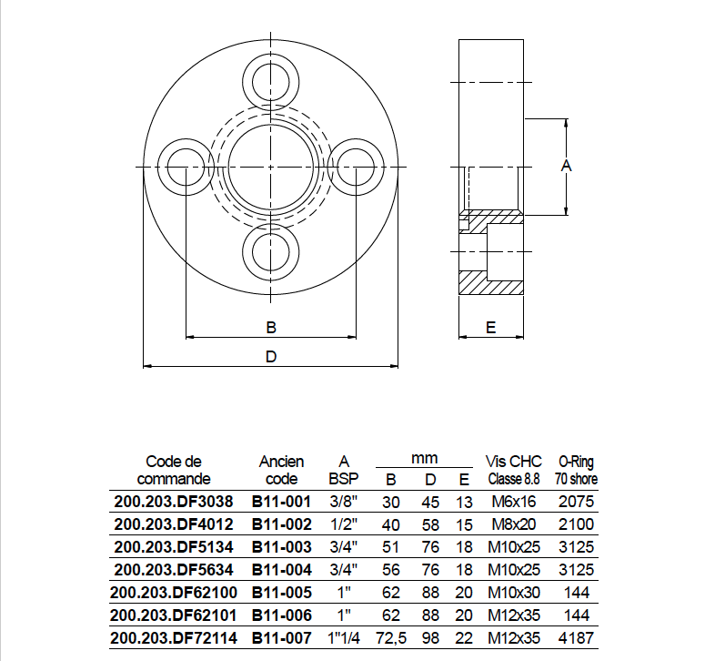
Référence : 200.203.DF72114VIS

Caractéristiques

Forme Droit femelle
Matière : Acier zingué
Nombre de trous 4
taraudage 1"1/4 BSP
Entraxe 72,5 mm
Type de bride Bride taraudée
Implantation Taraudage 1"1/4 BSP - Entraxe 72,5mm - Vis M12

Fiche technique

Pression de service (bar) 600
Vis M12x35
Référence 200.203.DF72114
Désignation Bride acier droite entraxe 72,5 vis M12 taraudée 1"1/4 BSP
Joint O-ring OR4187
Ancienne référence EDH B11-007

Description générale

Caractéristiques techniques
Pression de service : 600 bar - Livrée avec le joint O-Ring 70 shore, 4 vis de fixation + rondelles grower

Vous devez vous connecter pour voir le prix de ce produit.

SOCAH HYDRAULIQUE Contact
Votre contact commercial SOCAH HYDRAULIQUE Contact

email Nous contacter

phone_in_talk 02 99 00 84 00