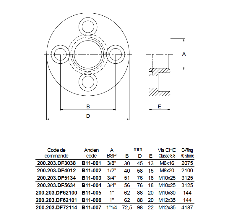
Référence : 200.203.DF62100VIS

Caractéristiques

Forme Droit femelle
Matière : Acier zingué
Nombre de trous 4
taraudage 1" BSP
Entraxe 62 mm
Type de bride Bride taraudée
Implantation Taraudage 1" BSP - Entraxe 62mm - Vis M10

Fiche technique

Vis M10x30
Pression de service (bar) 600
Référence 200.203.DF62100
Désignation Bride acier droite entraxe 62 vis M10 taraudée 1" BSP
Joint O-ring OR144
Ancienne référence EDH B11-005

Description générale

Caractéristiques techniques
Pression de service : 600 bar - Livrée avec le joint O-Ring 70 shore, 4 vis de fixation + rondelles grower

Vous devez vous connecter pour voir le prix de ce produit.

SOCAH HYDRAULIQUE Contact
Votre contact commercial SOCAH HYDRAULIQUE Contact

email Nous contacter

phone_in_talk 02 99 00 84 00