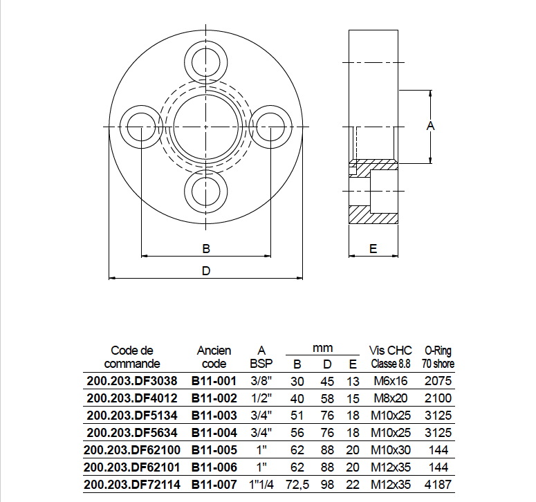
Référence : 200.203.DF5134

Caractéristiques

Forme Droit femelle
Matière : Acier zingué
Nombre de trous 4
taraudage 3/4" BSP
Entraxe 51 mm
Type de bride Bride taraudée
Implantation Taraudage 3/4" BSP - Entraxe 51mm - Vis M10

Fiche technique

Joint O-ring OR3125
Pression de service (bar) 600
Référence 200.203.DF5134
Désignation Bride acier droite entraxe 51 vis M10 taraudée 3/4" BSP
Ancienne référence EDH B11-003
Vis M10x25

Description générale

Caractéristiques techniques
Pression de service : 600 bar - Livrée avec le joint O-Ring 70 shore, 4 vis de fixation + rondelles grower

Vous devez vous connecter pour voir le prix de ce produit.

SOCAH HYDRAULIQUE Contact
Votre contact commercial SOCAH HYDRAULIQUE Contact

email Nous contacter

phone_in_talk 02 99 00 84 00